Nah an der praxis

Prüfzentrum für Dichtungen in CIP-/SIP-Prozessen

CIP- und SIP-Prozesse stellen hohe Anforderungen an Dichtungen. Beim Validieren und Abstimmen von Dichtungen ist es deshalb wichtig, die Praxisbedingungen so gut wie möglich nachzubilden. Seit Anfang 2009 bietet Freudenberg Process Seals mit seinem neuen Prüfzentrum Möglichkeiten zur Validierung und zielgenauen Abstimmung von Dichtungen auf die individuellen Bedingungen in CIP-/SIP-Prozessen. Dort können auch Reinigungsprozesse optimiert werden.

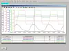
Darstellung der Messdaten während eines Testlaufs
Darstellung der Messdaten während eines Testlaufs
Beispiel der Interpretation der Ergebnisse eines Testlaufs
Beispiel der Interpretation der Ergebnisse eines Testlaufs
Möglichkeitender Reduzierung bis auf DN 25
Möglichkeitender Reduzierung bis auf DN 25
Unterschiedliche Ventilarten lassen sich an diePrüfstrecken anpassen
Unterschiedliche Ventilarten lassen sich an diePrüfstrecken anpassen
Der Aufbau des Prüfstands ermöglicht,verschiedene mechanische und chemische Belastungen von elastomeren Dichtungen zu untersuchen
Der Aufbau des Prüfstands ermöglicht,verschiedene mechanische und chemische Belastungen von elastomeren Dichtungen zu untersuchen

Jede prozesstechnische Anlage, sei es zum Herstellen von Arzneimitteln oder eine Getränkeabfüllanlage, muss regelmäßig und vor jedem Produktwechsel gereinigt werden. Risiken wie Produktverunreinigung, mikrobiologische Kontamination oder Kreuzkontamination sind zu vermeiden. Dabei stellen moderne CIP-/SIP-Reinigungsverfahren der Rohrleitungen, Ventile, Pumpen, Sensoren und anderen Komponenten für die darin eingesetzten Dichtungen eine besondere Belastung dar. Die Beständigkeit der Dichtungswerkstoffe unter Berücksichtigung der Produktions-, CIP- und SIP-Parameter muss während der Produktion genauso wie während der Reinigungsprozesse und Sterilisation gewährleistet sein.

Um Verschmutzungen und Organismen in möglichst kurzer Zeit zu beseitigen, werden in CIP-/SIP-Prozessen chemisch immer aggressivere Reinigungsmittel eingesetzt. Oft sind die tatsächlichen Reinigungsbedingungen aggressiver als die in den 3-A Sanitary Standards festgelegten Testbedingungen. Dies liegt zum einen an dem Trend, keine oder nur noch wenige Konservierungsstoffe zu verwenden, zum anderen an dem Ziel, höhere Produktivität durch verkürzte Reinigungszeiten zu erreichen. Sterilisation mit Dampf bei immer höheren Dampftemperaturen und Drücken ist eine weitere Belastung für die Dichtungen. Für diese hohen Anforderungen in Pharma- und Nahrungsmittelanlagen eignen sich nur wenige Dichtungswerkstoffe. Es ist deshalb entscheidend, ausschließlich exakt auf die jeweiligen Bedingungen abgestimmte Dichtungswerkstoffe einzusetzen.

Prüfstandsaufbau bietet individuelle Testoptionen

Um dies sicherzustellen, wurde bisher die Beständigkeit von Elastomerwerkstoffen durch Einlagerungsversuche in verschiedenen Medien getestet. Dazu werden die Werkstoffe in Form einer Dichtung oder als Normstäbe ohne dynamische Beanspruchung im Medium gelagert. Anhand der Ergebnisse mechanischer Tests werden wesentliche Werkstoffeigenschaften, wie Härte, Reißdehnung und Druckverformungsrest, vor und nach der Einlagerung ausgewertet und eingestuft. Diese Testmethoden reichen für eine Vielzahl von Dichtungsanwendungen völlig aus. Doch gerade das Zusammenspiel der komplexen Prozessparameter, wie hohe Temperaturen und Konzentrationen, sowie zusätzliche dynamische Beanspruchung der Dichtung in Pharma- und Nahrungsmittelanlagen erfordern eine detaillierte Betrachtung der Beständigkeit von Dichtungswerkstoffen.

In einem speziell entwickelten Prüfzentrum sind nun unter realen Prozessbedingungen aussagekräftige Dichtungstests in allen gängigen CIP-/SIP-Medien sowie in Dampf- und Heißwassersterilisation möglich. Mit diesen Prüfverfahren werden Dichtungswerkstoffe und Dichtungskonstruktionen bereits vor einem Serieneinsatz auf Funktionssicherheit geprüft. Es lassen sich alle elastomeren Dichtungsarten in Armaturen und Aggregaten wie O-Ringen, Membranen, Klappen- und Profildichtungen und Formteile in das Prüffeld integrieren. Die Klappenventile, Einsitzventile oder Membranventile werden dabei in eine fest verrohrte Konstruktion eingebaut, die durch die doppelten 90°-Bögen und Milchrohrverschraubungen als Verbindungselemente jedoch so flexibel ist, dass verschiedene Ventile unterschiedlicher Hersteller problemlos anzupassen sind. Die Doppelsitzventile bilden ein Rohrleitungskreuz, deswegen wird hier nur ein Ventil getestet. Mit zwei kleinen Anpassungen lässt sich das Doppelsitzventil in dieses Grundgerüst integrieren. Kleinere Nennweiten von Ventilen werden durch die Reduzierstücke bis auf DN 25 an die Prüfstrecken mit DN 100 angepasst.

Es lassen sich Beständigkeitsaussagen von Dichtungswerkstoffen unter statischer und dynamischer Beanspruchung treffen. Faktoren wie Schaltzyklen der Ventile, Durchflussgeschwindigkeit und häufig wechselnder pH-Wert können mit einberechnet werden, wodurch auch in kritischen Fällen eine Prognose abgegeben werden kann.

Mechanische und chemische Prüfung

Der Prüfstand ist als Mehrbehälter-CIP-Anlage ausgelegt, so dass unterschiedliche Reinigungsprozesse mit Säuren, Laugen und Desinfektionsmittel darstellbar sind. Kernstück der Anlage bilden drei Teststrecken, in denen gleichzeitig drei Ventile parallel getestet werden, wobei zum Beispiel Betriebsparameter wie Drehmomente online erfasst werden. Parameter, wie Leitwert der Reinigungslösung, Temperatur und Durchflussmenge sowie die Reihenfolge der Medien lassen sich variabel einstellen. Für die vorsätzliche und definierte Produktbenetzung der Dichtungen kann ein zusätzlicher Behälter mit einem aus der jeweiligen Anwendung stammenden Medium befüllt werden. Damit kann auch die Wirkung von Medien mit hoher Verschleißwirkung, wie Bierwürze oder Peelingcremes und ihr Einfluss auf die Elastomerdichtung untersucht werden. Darüber hinaus kann die Problematik der Aromastoffübertragung mit Hilfe dieses zusätzlichen Behälters geprüft werden. Außerdem können in Zusammenarbeit mit Reinigungsmittelherstellern Prototypen von Dichtungen im Originalmedium getestet werden. Ebenfalls bietet der zusätzliche Tank für kundenspezifische Produktmedien die Option einer Neuentwicklung und Prüfung der Reinigungsmedien oder einer Reinigungsoptimierung nach dem gezielten Verschmutzen für Reinigungsmedienhersteller.

Auch lässt sich das Verhalten der Dichtung bei niedrigen Temperaturen und bei Temperatursprüngen, wie sie beim Einbringen gekühlter Produkte nach der Dampfsterilisation entstehen, simulieren. Dazu kühlt ein Kühlaggregat die Tanks auf bis zu 0 °C ab. Veränderungen an den Dichtungen können die Ingenieure in der Testanlage anhand der Messwerte, wie Drehmoment- und Drehwinkel bei der Prüfung eines Klappenventils, unmittelbar nachvollziehen.
Nach dem Testlauf mit bis zu 999999 Schaltungen begutachten die Ingenieure die Dichtungen optisch und analysieren den Schaden. Wenn erforderlich, können weitere chemische Analysen durchgeführt werden. Alle Messdaten werden während der Prüfung protokolliert. Anhand von Diagrammen kontrolliert das Personal während des Tests das Verhalten der Ventile, das Einhalten der Temperatur und des Druckes.
Ein Beispiel vom Testlauf einer EPDM-Klappendichtung in Salpetersäure bei 80°C nach 15000 Schaltungen zeigt die Auswirkung der Reinigungsparameter auf das Material. Die Drehmomentkurve bildet eine Spitze beim Schließen des Ventils. Ebenfalls ist auch in der Drehwinkelkurve eine Abschrägung beim Schließen zu finden. Diese Werte lassen auf eine Quellung der Dichtung schließen, da der Teller der Klappendichtung bereits mehr Kraft aufbringen muss, um über die gequollene Dichtung bis zum Anschlag zu kommen.

Time-to-market verkürzen

In der Prüfanlage können Werkstoff und Dichtung/Ventil-Verbund in CIP-/SIP-Prozessen unter Betriebsbedingungen geprüft und Aussagen zu deren Beständigkeit und Funktionssicherheit gemacht werden. Die Komponenten werden vor Beginn des Serieneinsatzes optimiert und die Wahl der Dichtung wird dadurch abgesichert. Auf zeitintensive Feldtests kann der Hersteller damit verzichten, so dass sich die time-to-market verkürzt, was insgesamt die Wirtschaftlichkeit der Entwicklung und Produktion steigert.

Unternehmen